大功率电器智能识别在学生宿舍用电安全系统的设计
张玲玲
安科瑞电气股份有限公司 上海嘉定 201801
摘要:针对学生宿舍电源管理和用电安全问题,文章设计了一种可以自主识别大功率电器设备的控制器,该控制器通过电流互感器将信号送给Lvp358比较器,产生数字信号给单片机做判断,自动识别用电器功率,限制大功率电器使用,是一种智能用电安全控制器。该控制器可以有效禁止宿舍内大功率电器的使用,消除因电器问题导致的用电安全隐患。
关键词: 智能控制器;用电安全;功率识别
0引言
随着电子技术、通信技术和计算机网络技术的迅速发展,智能配电控制系统应运而生。目前,我国已建立了学生公寓集中供电管理系统、一系列负荷识别模块等产品。然而该类产品性价比低,未广泛使用。因此,需要设计一种允许小功率电器正常使用的智能识别用电器功率的控制器,本文设计了能够智能识别出大功率的并限制其断电以此来保证用电安全的控制器。该控制器主要依靠单片机作为处理器来进行数据控制与处理。利用抗干扰滤波技术,避免各种电路的干扰,可确定出相关电路负载的功率特性,从而智能辨认出用电器功率大小,限制大功率电器的使用。该控制器不但可以降低用电安全风险,而且不会影响常用电器的正常使用,对学生公寓安全用电有一定的借鉴作用。
1 系统构成
系统主要由A/D转换、保护、输出控制、信息检测和主控器等五大模块构成,如图1所示。A/D转换的模块主要负责主电路电流采样功能;保护模块负责保护电路的功能即短路保护功能;输出控制模块负责断开电路中负载;信息检测模块负责对负载电路的电流进行采集;主控器模块负责输出控制和数据的处理。

图1 控制系统原理
2硬件设计
2.1 主控制器与A/D模块的设计
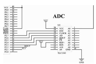
主控器选用AT89C2051,它是一款低电压、高性能的CMOS 8位微控制器,由一个128位随机存取数据存储器和2 kbit重复的只读程序存储器组成。A/D转换器采用10位串行的TLC1534,它是一款高性能、低成本、价格比高的A/D转换器。AT89C2051与TLC1543连接电路如图2所示。图2 TLC1543和AT89C2051的接口电路。

图2 TLC1543和AT89C2051的接口电路
2.2 采样模块设计
数据检测模块包括电流互感器、电压形成放大电路、整流滤波电路、信号调理电路和限幅保护电路。该控制器运用简单的电流互感器采样方法,经过信号采集、整流滤波、信号调理后,再经过简单的限流保护电路,将线性电压信号直接传送至A/D转换器。其限制保护电路功能主要在于保护A/D芯片。
3 软件设计
软件主要完成继电器的驱动和大功率电器的智能识别。通过对当前时序进行采样,并通过I/O端口将TLC1543的A/D转换结果输入微控制器的内部存储单元中,并检测到功率的突变达到设定值来实现智能识别功能,判断、控制继电器动作。在15s延迟后,进行重合闸,并判断是否需要手动复位重合闸。主程序流程如图3所示。

图3 主程序流程
4系统测试
根据电路图,将东西焊接好,实物如图4所示。
图3 主程序流程
4系统测试
根据电路图,将东西焊接好,实物如图4所示。
5安科瑞AcrelCloud-3200预付费水电云平台
5.1 系统方案
系统为B/S架构,主要包括前端管理网站和后台集抄服务,配合公司的预付费电表DDSY1352和DTSY1352系列以及多用户计量箱ADF300L系列,实现电能计量和电费管理等功能。另外可以选配远传阀控水表组成水电一体预付费系统,达到先交费后用水的目的,剩余水量用完自动关阀。
5.2 系统功能
AcrelCloud-3200预付费水电云平台由云平台-网关-预付费电能表组成,通过通信网络完成系统到表的充值、查询、监控、控制及短信报警等功能。
本系统适用于一些大集团和大物业,往往需要将多个物业环境、分散于各地的物业集中式收费和管理,面临着数据公网传输,财务操作分散,在线支付,总部财务扎口等复杂的需求。
远程集中抄表:抄表信息通过网关实时上传到云平台,快速便捷,免去人工抄表 。
水表预付费:可是查看某区域水表的实时状态信息,并可以进行单表或批量设置水价控阀等操作。
远程售电:财务集中管理,电量实时下发,并比对充值次数,方便快捷。
能耗分析:用户和管理员都可查询预付费表或管控表每天的用能状况;可提供能耗分析+财务轨迹一体式综合管理报表,包含用户表的能耗、财务数据、能耗和财务的期初期末值等数据。
在线支付:商户可以通过小程序或者微信公众号实现在线自助充值水电费,也可以实时关注商铺用水用电情况。
短信提醒:金额不足或金额欠费提醒、电表充值到账提醒,都可及时短信通知商户。
远程控制:可对任意一块电表执行远程拉闸或保电等一系列远程控制操作,方便管理。
5.3 产品选型

6结束语
设置一种大功率电器智能识别和用电安全控制系统刻不容缓。此系统能够实现学生公寓的自动识别、短路、过电流保护等问题。借助该系统,公寓的电力管理可以实现智能化和自动化,提高了公寓的管理水平。大功率电器智能识别和电力安全控制器能够自动检测线路负载,能够对受控电路中的安全、大和负载限制这3种情况作出相应的响应和反应,可在多次警告无用的情况下自动切断总电源供应,避免了经常更换线路丝的麻烦,也从根本上杜绝了线路过载引起的火灾。大功率电器的智能识别和电气安全控制器的优势在于其低成本,易于形成产品及网络系统,从而实现学生公寓用电的智能化控制。
【参考文献】
【1】李世豪,何建强,王边弛.大功率电器智能识别与用电安全控制器的设计
【2】周维龙,欧阳洪波,胡姣.大功率电器智能识别系统设计[J].湖南工业大学学报,2014(1):44-48.
【3】安科瑞企业微电网设计与应用手册.2020.06




